 
						 
					www.jb-electronics.de » Elektronik » Digitaltechnik » Digitaluhr III
Diese Uhr ist - entgegen ihren Vorgängern Digitaluhr I und Digitaluhr II - eine Funkuhr. Zur Dekodierung des DCF77-Signals aus Mainflingen wird ein Microcontroller verwendet, der dieses Feature schon integriert hat: die C-CONTROL I von Conrad:

Eigentlich ist es untertrieben, bei der C-CONTROL I von einem Mikrocontroller zu sprechen; der "nackte" Mikrocontroller ist der IC MC68HC05B6. Auf der obigen Platine sind aber zusätzliche Bauteile vorhanden, wie zum Beispiel der Schnittstellenbaustein MAX232, über den der Mikrocontroller eine Verbindung zum Computer via serielle Schnittstelle herstellen kann. Ein ebenfalls nützlicher Bestandteil der Platine ist der EEPROM 24C64, auf den im Programm mit wenigen Befehlen zugegriffen werden kann.
Die C-CONTROL I ist also eher als eine fertige Mikrocontroller-Umgebung zu verstehen. Der Quellcode für den Mikrocontroller ist somit auch relativ einfach gehalten. Wer möchte, kann ihn hier herunterladen: Funkuhr.zip (2KB).
Der Mikrocontroller besitzt zwei Byteports, das heißt 2x8 Ausgänge, sodass der erste Byteport für die Ausgabe der Minuten zuständig ist, und der zweite Byteport für die Stunden. Die Sekunden werden hier nicht angezeigt.
Die Anschlüsse 1-4 des Byteports 1 sind für die Einer der Minuten, die Anschlüsse 5-8 hingegen sind für die Zehner der Minuten. Beim Byteport 2 (für die Stunden) verhält es sich genauso.
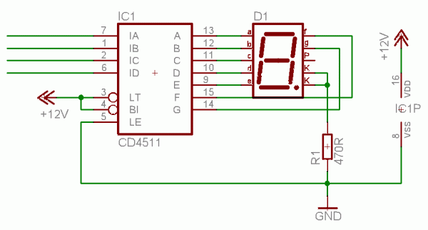
Die Daten werden im BCD-Format ausgegeben, sodass ein Dekoder benötigt wird, um die Zahlen korrekt darzustellen. Dafür wird der Dekoder-IC CD4511 verwendet, der genauso wie bei der Digitaluhr I verschaltet wird:

Als Netzteil wird der Festspannungsregler 7805 in Kombination mit einigen Glätt-Elkos verwendet.
Diese Komponenten sind auf dem folgenden Foto relativ gut zu erkennen:

Nicht zu sehen ist der DCF77-Empfänger, der ebenfalls als fertiges Modul bei Conrad erhältlich ist:

Die Uhr benötigt je nach Wetterlage und Aufstellungsort 2-8 Minuten, um sich zu stellen. Auf der C-CONTROL I ist eine grüne LED angebracht, die den DCF77-Empfang visualisiert. Sollte diese LED unregelmäßig blinken, ist der Aufstellungsort nicht geeignet, da entweder zu viele Störsignale vorhanden sind (CRT-Monitor, PC-Boxen), oder das DCF77-Signal nicht bis zum Aufstellungsort vordringen kann. In letzterem Falle kann es hilfreich sein, die Uhr näher an einem Fenster zu positionieren.
Hier sieht man die fertige Schaltung im Betrieb:

 
						 
					www.jb-electronics.de » Electronics » Digital Technology » Digital Clock III
There is no English translation of this page available yet. It will take some more time for me to translate the whole website.
If you have a particular interest in this page getting translated as fast as possible, please contact me; I will see what I can do. Please click here for the German version.